| Sign In | Join Free | My portofva.com |
|
Brand Name : FIREPOWER
Model Number : ACC1-01
Place of Origin : China
MOQ : 1
Price : $1300
Payment Terms : L/C,D/P,T/T,Western Union
Supply Ability : 1 week for sample
Delivery Time : 1 week
Packaging Details : Sponge + Carton
Range : ±50-70g
Bias K0/K1 : ≤±3mg
Threshold : 5μg
Class II nonlinear coefficient K2 : ≤±10μg /g2
Scale factor K1 : 1.0~1.30 mA/g
Bandwidth : 800~2500 Hz
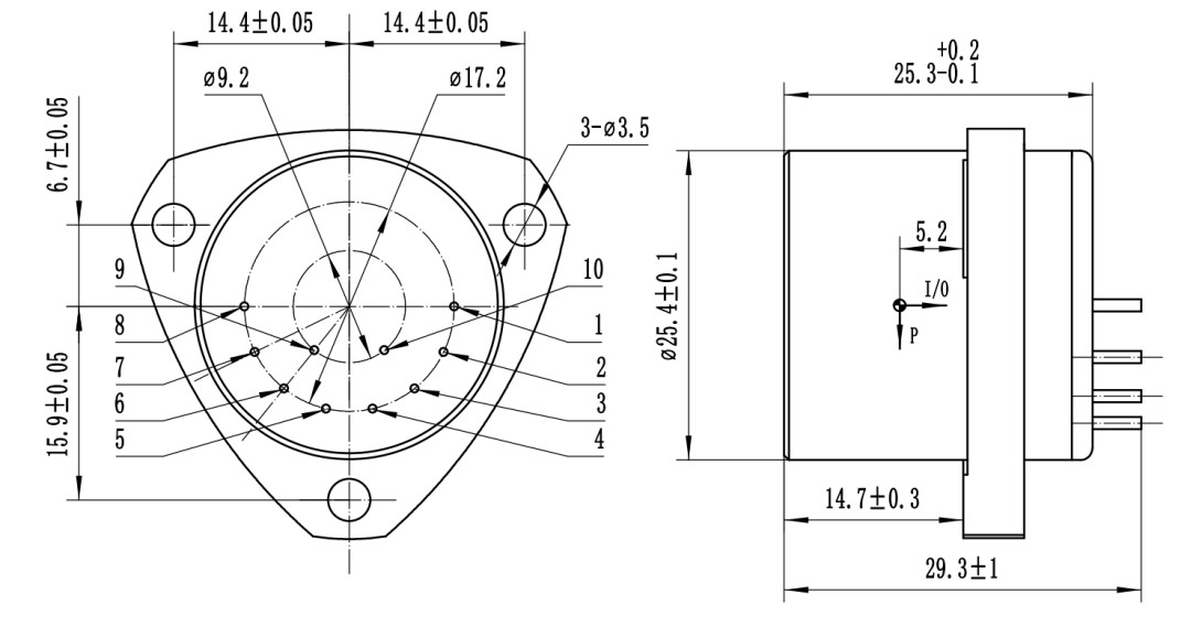
Size : Ф25.4X30mm
Weight : ≤80g
Navigation Grade Quartz Accelerometer Vibration Sensor Q-Flex QA-3000 Replacement
ACC1 series vibration acceleration sensor is a high-precision accelerometer with excellent long-term stability, repeatability, start-up performance, environmental adaptability and high reliability. It can be used for both static and dynamic tests. It is also a standard vibration sensor and tilt sensor.
The output current of the product has a linear relationship with the force or acceleration, and the user can select the appropriate sampling resistance through calculation to achieve high-precision output. The built-in temperature sensor can be used to compensate the bias and scale factor and reduce the influence of ambient temperature according to the user's requirements.
Dimension drawing

|
|
Navigation Grade Quartz Accelerometer Vibration Sensor Q-Flex QA-3000 Replacement Images |